UK1

UK1A/G2-1ESY

Ultra.M18,4-20mA,M12 plug,Diffuse
Ultrasonic sensor M18 analog. 4-20 mA 50-400 mm conn. M12 with teach-in button,AISI316L stainless steel housing, cULus

M18 cylindrical direct diffuse & retro-reflective Ultrasonic Sensor UK1 with Teach-In button

Overview

  • Models with digital programmable output
  • Models with current or voltage analogue outputs
  • Adjustable Hysteresis function: model with programmable double digital outputs, specific for levels
  • Working area adjusting (window teach or single point teach) by Teach-in button suitable for all models for a fast coming into work
  • Multifunction LED indicator: output type, adjustment procedure, NO/NC selection and reverse analog output slope

Technical Features

Detection properties
Nominal sensing distance 400mm
Thermal drift of Sr ±2%
Repeat Accuracy 0,50%
Beam angle 10° ± 2°
Resolution ≤3mm
Sensitivity adjustment Teach-in button
Hysteresis 1%
thermal compensation Yes
Minimum sensing distance (blind zone) 50mm
Linearity error 1%
Application
Function Principle Diffuse reflection
Outputs
Output type 4...20mA
Output Function
Switching frequency 10Hz
Response time 500ms
Electrical data
Operating Voltage 10 - 30Vdc
No-Load supply current ≤50mA
Load current 100mA
Leakage current 10μA @ 30Vcc
Output voltage drop 2,2Vmax. @ IL=100 mA
Max ripple content 5%
LED indicators green: echo - yellow: output
Time delay before availability ≤300ms
Short-circuit protection Yes
Reverse Polarity Protection Yes
Impulsive Overvoltage Protection Yes
Mechanical data
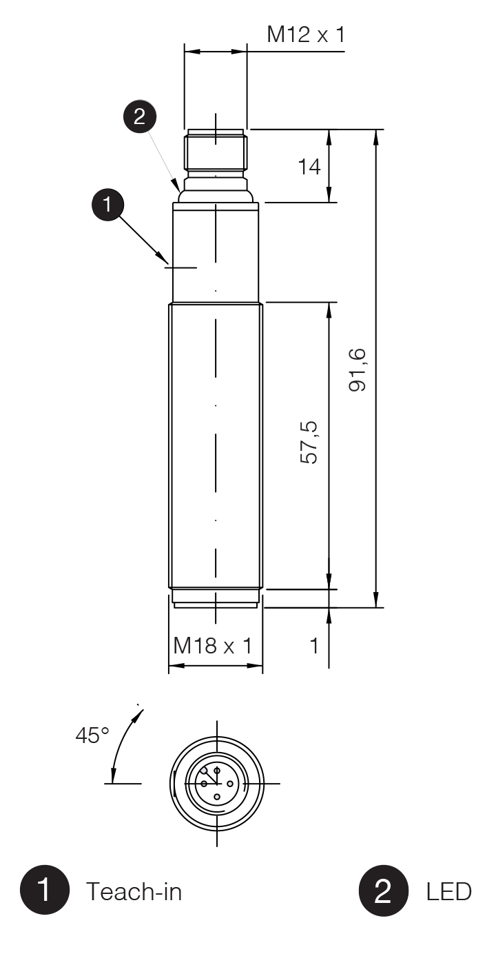
Dimensions M18 x 1 / L = 91,6mm
Weight 100g
Housing Material stainless steel AISI 316L
Connections M12 Plug
Tightening torque 50Nm
Operating temperature - 20°C…+ 70°C
Storage temperature - 35°C…+ 80° C without freeze
Transducer Frequency 300kHz
Diameter/Dimension M18
Test/Approvals
Approvals CE cULus
EMC compatibility IEC 60947-5-2
Shocks and vibrations IEC EN60947-5-2 / 7.4
Degree of protection IP67
Accessories
Supplied Accessories 2 nuts M18x1, 2 washers Ø 18
Generical Data
Dimensions M18 x 1 / L = 91,6mm
Operating Temperature - 20°C…+ 70°C
Mechanical Protection IP67

Connections

Eletrical diagram
Connector

Others

Dimensions
Response curves

Downloads for UK1A/G2-1ESY