CX2

CX2E0RB/10-064V

Area Sen, H=640mm-10mm pitch,E+R,NPN+PNP
Area sensor One cable sync., P: 10 mm , H: 640 mm, 16,8...30Vdc, Sn 6m, Teach G/F, Blanking, parallel beams

Area sensors with high resolution and compact housing with digital and analogue output

Overview

  • Parallel beams and floating crossbeams with variable amplitude
  • Synchronization by cable. Pitch 5, 10 and 20mm
  • Control height up 480mm (pitch 5mm) and up 960mm (pitch10mm and 20mm)
  • Maximum operating distance up to 3m (for 5mm pitch) and 6m (for 10mm and 20 pitch)
  • Digital outputs NPN and PNP ; analogue current output (4…20mA) and analogue voltage output (0..10V), mix outputs : digital PNP and analogue voltage output (0..10V)
  • Adjustment by teach-in , 2 levels of adjustment
  • Blanking function . Available analogue versions TOP BEAM

Technical Features

Detection properties
Nominal sensing distance 0,3 … 6m
Beams space 10mm
controlled height 640mm
minimum detectable object Ø 10mm
number of rays 65
Sensitivity adjustment Teach-in by wire
Application
Function Principle emitter/receiver
Outputs
Output type NPN + PNP
Output Function NO/NC
Switching frequency 18,1Hz
Electrical data
Operating Voltage 16,8... 30Vdc
No-Load supply current ≤330mA
Load current < 100mA
Leakage current ≤ 10µA
Output voltage drop < 1,5V @ 100mA
Max ripple content < 1,2Vpp
LED indicators Blue, red and yellow (emitter) - green, red and yellow (receiver)
Time delay before availability < 3s
Short-circuit protection Yes
Reverse Polarity Protection Yes
Emission Infrared (880nm)
Interference to external light IEC EN 60947-5-2
Impulsive Overvoltage Protection Yes
Mechanical data
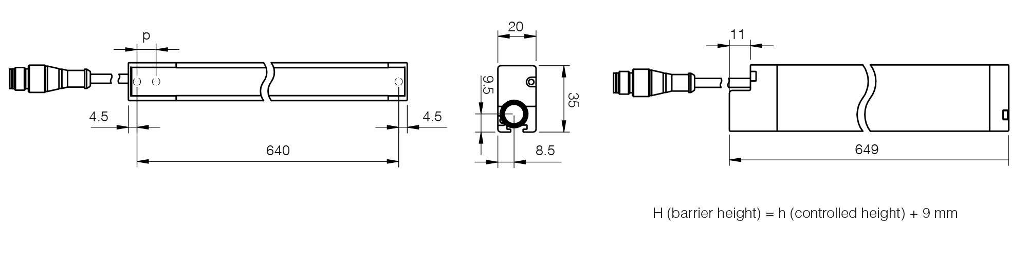
Dimensions 20mm x 649mm x 35mm
Weight 1500g
Housing Material Aluminium
Connections M12 4pin + cable PVC 200mm ; M12 8pin + cable PVC 200mm
Active Head Material PMMA
Operating temperature -10°C…+ 55° C (without freeze)
Storage temperature - 25°C…+ 60° C (without freeze)
Test/Approvals
Approvals CE, cULus
EMC compatibility IEC 60947-5-2
Shocks and vibrations IEC EN 60947-5-2
Degree of protection IP67
Accessories
Supplied Accessories ST151 fixing kit
Generical Data
Dimensions 649x36x20
Operating Temperature -10°C…+ 55° C (without freeze)
Mechanical Protection IP67

Connections

Eletrical diagram
Connector

Others

Dimensions

Downloads for CX2E0RB/10-064V