C18

C18P/A0-1A

Cap.M18,2 wires AC-NO,Cable,Sch-LD
Capacitive sensor M18 Plastic Shielded AC 8 mm NO cable 2m axial

M18 cylindrical capacitive sensors

Overview

  • DC or AC supply voltage
  • High noise immunity
  • Shielded and unshielded models
  • Adjustable sensitivity
  • Plastic housing

Technical Features

Detection properties
Nominal sensing distance 3…8mm
Thermal drift of Sr < 20%
Repeat Accuracy 5%
Sensitivity adjustment Yes
Hysteresis ≤ 20%
Outputs
Output type SCR
Output Function NO
Switching frequency 10Hz
Electrical data
Operating Voltage 20...250Vac/50-60Hz
No-Load supply current ≤ 12mA
Load current ≤ 500mA; max 2,5A 20ms
Leakage current ≤ 100µA
Output voltage drop ≤ 10VAC @ IL ≥20mA
Max ripple content ≤10%
LED indicators Yellow LED (object detected)
Time delay before availability ≤ 200ms
Short-circuit protection polarity reversal, overvoltage
Reverse Polarity Protection Yes
Impulsive Overvoltage Protection Yes
Mechanical data
Mounting Shielded
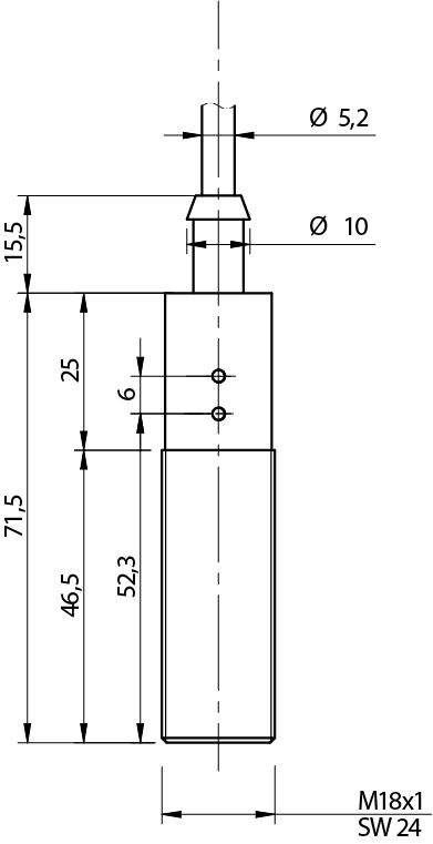
Dimensions M18 x 1 / L = 87mm
Weight 150g
Housing Material Polyester
Connections 2m PVC cable
Active Head Material Polyester
Tightening torque 2,6Nm
Operating temperature -35°C…+85°C (ohne Kondensation)
Storage temperature -40°C…+85°C
Diameter/Dimension M18
Test/Approvals
Approvals CE cULus
EMC compatibility IEC 60947-5-2
Shocks and vibrations Vibration IEC 60068-2-6 / Shock IEC 60068-2-27
Degree of protection IP67, IP68
Accessories
Supplied Accessories screw driver, 2 x M18 nuts
Generical Data
Dimensions M18 x 1 / L = 87mm
Operating Temperature -35°C…+85°C (without freeze)
Mechanical Protection IP67, IP68

Connections

Eletrical diagram

Others

Dimensions

Downloads for C18P/A0-1A